? 功率放大器基于壓電陶瓷驅動器單神經元自適應中的應用
實驗名稱:功率放大器基于Hebb學習規則的壓電陶瓷驅動器單神經元自適應磁滯補償
研究方向:微納定位
實(shi)驗內容:壓電陶瓷(ci)驅(qu)動器存(cun)在(zai)(zai)遲滯(zhi)(zhi)(zhi)非(fei)線性(xing),極大降低了其運動精度,由于其遲滯(zhi)(zhi)(zhi)存(cun)在(zai)(zai)時變與非(fei)對稱特征,增(zeng)大了遲滯(zhi)(zhi)(zhi)建模與補償(chang)的難度。本實驗使用單神經(jing)元自適應控(kong)制方法,對壓電陶瓷(ci)驅(qu)動器的遲滯(zhi)(zhi)(zhi)非(fei)線性(xing)進行在(zai)(zai)線補償(chang),從而(er)提高壓電陶瓷(ci)驅(qu)動器的軌跡跟蹤(zong)性(xing)能。
測(ce)試(shi)目的:驗證(zheng)遲滯補償算法的(de)性能。
測試設備:dSPACE實(shi)時采(cai)集模塊,動態橋式應變儀、高壓功率放(fang)大器ATA-4052
實(shi)驗過(guo)程:硬件(jian)連接與(yu)軟(ruan)件(jian)運行界面
被測對象(xiang)為Thorlabs公司生產的PZS001型壓電陶瓷驅動器,在最大100V的驅動電壓下,其最大位移為12.925μm。使用ATA-4052形放大器將控制壓電放大為壓電陶瓷驅動器的驅動電壓。壓電陶瓷驅動器上自帶4個電阻應變片,組成一個4橋的電阻應變片。使用北戴河實用電子技術研究所生產的SDY2105型電橋放大器測量壓電陶瓷驅動器的變形量。測試系統的硬件連接圖如下所示:
測(ce)試(shi)程序在Matlab/Simulink下編寫,通過dSPACE公司生產的Microlabbox型實時控制器運行測試程序。測試流程如下:首先在控制程序中生成0-10V的正弦信號,經過放大器放大之后驅動壓電陶瓷驅動前前后運動,利用Microlabbox完成控制信號與位移信號的實時測量,并根據壓電陶瓷的特性,編寫單神經元自適應補償算法,利用設備完成算法的性能測試。
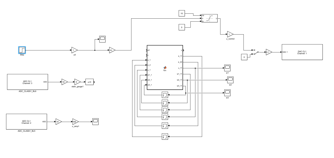
測(ce)試程序的Simulink代碼如下圖所示:

測試結果:
分別測試了控制算(suan)法(fa)在跟(gen)蹤正弦軌(gui)跡與三角(jiao)軌(gui)跡的(de)效(xiao)果,對于正弦軌(gui)跡,單神經元(yuan)自適(shi)應(ying)補償算(suan)法(fa)可以(yi)有效(xiao)地(di)消(xiao)除遲滯非(fei)線性的(de)影(ying)響(xiang),相對于傳統的(de)PID控制,單神經元自適應補償算法具有更高的適應性和魯棒性,對于50Hz以內的正弦軌跡,均能很好地消除遲滯非線性。對于三角軌跡,單神經元自適應補償算法同樣能夠取得類似的效果。實驗結果如下圖所示:

放大器在(zai)該實驗中發(fa)揮的效能:
控(kong)制信號是弱(ruo)電(dian),其電(dian)壓范(fan)圍為0-10V,不足以驅動壓電陶瓷驅動器。利用高壓功(gong)率放大器將(jiang)控制信號放大,生成(cheng)驅(qu)(qu)動電壓(ya),從而驅(qu)(qu)動壓(ya)電陶瓷。
本文(wen)實驗素材由(you)西安(an)安(an)泰電(dian)子(zi)整(zheng)理發布,如想了解更多實驗方(fang)案,請(qing)持續關注安(an)泰官網hkdyw.cn。西安安泰電子是專業從事功率放大器、高壓放大器、功率信號源、前置微小信號放大器、高精度電壓源、高精度電流源、功率放大器模塊等電子測量儀器研發、生產和銷售的高科技企業。

























