開關類功率放大器的分類介紹
C類功率放大器雖然通過減小晶體管的導通角度,使放大器的效率得以提高,但是由于輸出功率的限制,角度又不能太小,所以C類的實際效率還是上不去。為了提高放大器的效率,必須設法降低晶體管本身的損耗。有從A類到B類到C類的這種減小晶體管導通角度的方法,雖然效率有一定提高,但是輸出功率能力卻不夠。于是提取了新的解決方法,希望在晶體管兩端有電壓的時候沒有電流流過,有電流流過的時候電壓盡量小。這便誕生了開關類的功率放大器,如D類、E類、F類功率放大器,下面對它們進行介紹。
D類 (丁類)功率放大器
根據集電極輸出的電壓為理想方(fang)波(bo)還是(shi)流(liu)過集電極的電流(liu)為理想方(fang)波(bo),能夠將D類功放分成電壓開關型和電流開關型兩種類型的電路。

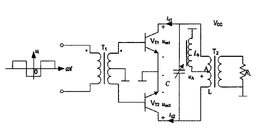
電流開關型D類功率放大器電路原理圖 電流型D類功率放大器波形

電壓開關型(xing)D類功率放大器電路原理圖 電壓開(kai)關型D類功率放大器波形
E類(戊類)功率放大器
相(xiang)比于D類功率放大器,B類功率放大器采用單管放大,它有固定的電路結構,通過選取合適的負載電路參數,使得開關晶體管滿足零電壓開關ZVS條件和零電壓導數開關ZDS條件,從而瞬態響應效果最佳。
這就可以減小在開(kai)關狀態轉換之間的功率損耗,克服了(le)D類功率放大器的缺點。E類功率放大器主要有多種不同的拓撲結構,主要差別在于是并聯還是串聯電感或電容。

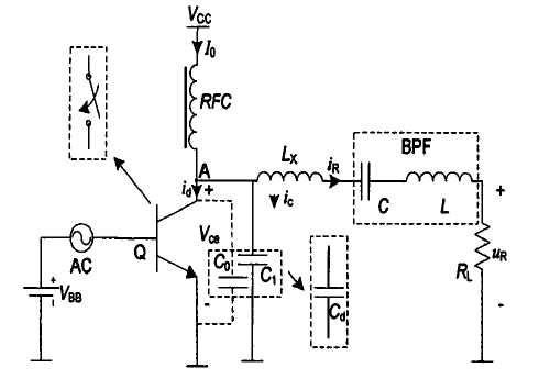
并聯電容型E類功率放大器原理電路圖 并(bing)聯電容型E類功(gong)率放大(da)器的波(bo)形
F類功率放大器
F類功率放大器由B類過激演化而來,首先從過激勵B類功率放大器介紹,然后再介紹F類功率放大器。正常情況下,B類功率放大器的集電極或者漏極電壓電流波形如圖所示,過激勵B類功率放大器的電流電壓波形圖3.16所示。

B類功率放大器的理想電流電壓波形 過激勵B類功率放大器的電流電壓波形

具有諧(xie)波峰化的(de)集總參數(shu)F類功率放大器電路原理圖 傳輸線峰(feng)化(hua)的F類功率放大器電路原理圖
通(tong)過以(yi)上的介紹,相信您對(dui)傳(chuan)統類(lei)高壓功率(lv)放大器(qi)的(de)分類有(you)了清(qing)晰的(de)了解,如(ru)果您對Aigtek的產品感興趣的話,歡迎點擊hkdyw.cn官網了解更多。
原文鏈接://hkdyw.cn/news/302.html

























