功率放大器電路圖集(多種類功率放大電路)
關于功率放(fang)大(da)器(qi)電路圖集(ji)的問題是很(hen)多工程師(shi)都感(gan)興趣和想了解(jie)的,今天就請安泰電子來為(wei)大(da)家介紹一(yi)下多種(zhong)類功率放(fang)大(da)電路的內容。
一(yi)、功率(lv)放(fang)大電路介紹
1、一般情況來說功率放大(da)電(dian)路的主要作(zuo)用是讓負載在不(bu)使信號(hao)失真(zhen)或輕(qing)微(wei)失真(zhen)的情況下(xia)獲得最大(da)功率。因此,在設計和制(zhi)造電(dian)路時應考(kao)慮以下(xia)問題:
①功率放大器一般處于多級放大器的末級,集成功放或集成運放的輸出級,所推動的負載比較重,如揚聲器、電機、大功率線圈等,所以工作的電壓和電流都比較大。
②功放(fang)管(guan)工(gong)作在(zai)大信號(高壓(ya)(ya)、大電(dian)流)狀(zhuang)態(tai),而工(gong)作電(dian)壓(ya)(ya)和(he)電(dian)流都接近功放(fang)管(guan)的(de)限制參數(ICM、UBR(CEO)、RCM),所以(yi)必須(xu)考(kao)慮散熱、失真、過壓(ya)(ya)和(he)過流保(bao)護等的(de)問題。
③輸(shu)(shu)(shu)出(chu)(chu)功(gong)(gong)(gong)(gong)率(lv)是指功(gong)(gong)(gong)(gong)放輸(shu)(shu)(shu)出(chu)(chu)的(de)(de)電(dian)(dian)壓與電(dian)(dian)流的(de)(de)乘積,即交流輸(shu)(shu)(shu)出(chu)(chu)功(gong)(gong)(gong)(gong)率(lv)。由于輸(shu)(shu)(shu)出(chu)(chu)功(gong)(gong)(gong)(gong)率(lv)很大,所以,電(dian)(dian)路中消耗(hao)的(de)(de)能(neng)量也高(gao),電(dian)(dian)源(yuan)必須提供更多的(de)(de)能(neng)量。總的(de)(de)來(lai)說,功(gong)(gong)(gong)(gong)率(lv)放大器(qi)要獲(huo)得盡(jin)可(ke)能(neng)高(gao)的(de)(de)輸(shu)(shu)(shu)出(chu)(chu)功(gong)(gong)(gong)(gong)率(lv)、盡(jin)可(ke)能(neng)高(gao)的(de)(de)效(xiao)率(lv)和(he)盡(jin)可(ke)能(neng)低(di)的(de)(de)非線(xian)性失(shi)真,前提是能(neng)夠安(an)全地使用(yong)晶體管(guan)和(he)場(chang)效(xiao)應管(guan)。
2、恒(heng)量功率放(fang)大器的主要技術(shu)指標和測(ce)量方法(fa)。
第一(yi)類指標(biao):輸入幅值固定(ding),頻率固定(ding)時(shi)的性能。
①電壓放(fang)大倍數(shu)和放(fang)大倍數(shu)的調節(jie)范圍(wei);
②輸入電阻Ri,輸出電阻Ro;
第(di)二(er)類指(zhi)標(biao):輸入信號頻率不變而幅(fu)值改變的性能;
③最大不失(shi)真輸(shu)出(chu)幅值和(he)最大不失(shi)真輸(shu)出(chu)功率。
④電源消耗的(de)功率PDC;
⑤功率(lv)放大器的效率(lv);
第三類指標:輸入(ru)幅值不變(bian),而(er)輸入(ru)信號頻率發生變(bian)化的性能(neng)。
⑥功率放大(da)器(qi)的通頻帶fBW;
二、甲類ATA-3000系列功率放大器
小信號(hao)放大(da)器,在輸入信號(hao)的周內(nei)都(dou)會產生靜態電(dian)流(liu),此(ci)類工作方式的可以稱之(zhi)為甲類功放。
1、阻容耦(ou)合甲類(lei)放大(da)器電路

圖:阻容耦合甲(jia)類放大器電路圖
甲(jia)類功率(lv)放大器電(dian)源(yuan)提供的能量大多(duo)消(xiao)耗在(zai)電(dian)阻和管(guan)子,所以效率(lv)低。
2、變壓器耦合單管甲類(lei)功放電(dian)路

圖:變(bian)壓(ya)器耦(ou)合單管甲類功放電路圖
甲類(lei)功率放(fang)大器中,能夠知道靜態(tai)電路是引起管耗(hao)的主要原因(yin),想要提高效率就要減(jian)少靜態(tai)電流。
三、推挽功率(lv)放大器(qi)
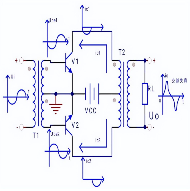
甲類功率(lv)放大器靜態電流大,效率(lv)低,采用靜態的時(shi)候,集(ji)電極電流為0的乙類功率放大器能夠提高效率,但是為了獲得完整波形,必須要采用兩管輪流輸出,就是乙類推挽功率放大器。

圖:乙類推挽功率放大器電路圖
乙類(lei)推挽功(gong)率放大器靜(jing)態電流非常(chang)(chang)小(xiao),因(yin)此效(xiao)率非常(chang)(chang)高(gao)效(xiao)。
雖然理論上(shang)已經證(zheng)明乙類(lei)(lei)推挽功率(lv)(lv)放大器的理想最大效(xiao)率(lv)(lv)遠高于甲類(lei)(lei),但(dan)是乙類(lei)(lei)推挽功率(lv)(lv)放大器,因為基(ji)極無加靜態(tai)偏置,輸出在正負半(ban)周交(jiao)界處(chu)會有交(jiao)越失真。
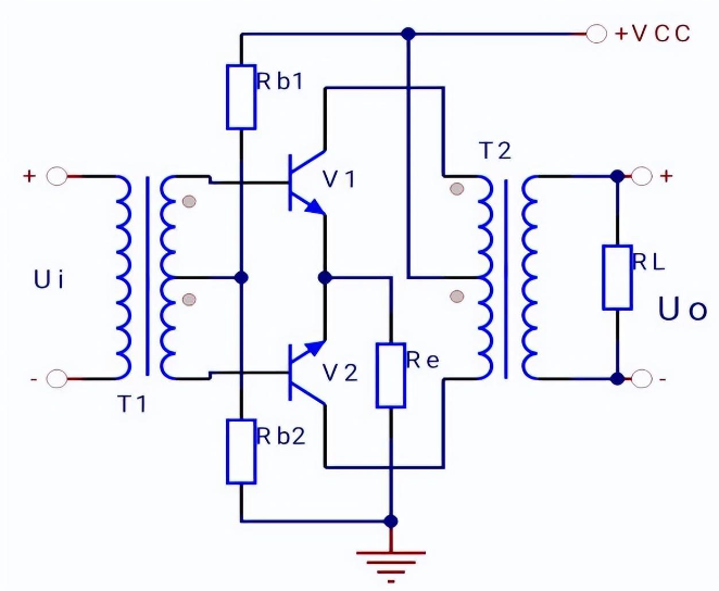
四、甲,乙類推挽(wan)功率放大器

圖(tu):甲(jia),乙(yi)類(lei)推挽(wan)功率放大器電路圖(tu)
五、互補對稱無變壓器輸出(OTL)功放電路

圖(tu):互補對稱無變(bian)壓器輸出(OTL)功放電路圖
變壓器耦合乙類,甲乙類推挽功率放大器已解決了甲類功放效率低的問題,且可實現阻抗變換,缺點是體積龐大,笨重,消耗有色金屬,低頻,高頻特性都比較差。無變壓器輸出功放電路(OTL)用一個大電容代替變壓器,用NPN,PNP對管。
六、無電容輸出(OCL)功放電路

圖:無電容(rong)輸出(OCL)功放電路圖
OTL去(qu)掉了變壓(ya)器,具有(you)(you)失(shi)真小,是功放高保真擴音機常用(yong)(yong)的電(dian)(dian)路(lu),但OTL輸(shu)出用(yong)(yong)大容(rong)量電(dian)(dian)容(rong),存(cun)在漏阻(zu)和電(dian)(dian)感效(xiao)應,對(dui)不(bu)同(tong)頻率信(xin)號會產生不(bu)同(tong)相移,輸(shu)出信(xin)號有(you)(you)附(fu)加失(shi)真,為消(xiao)除這一(yi)缺點,出現(xian)了無(wu)電(dian)(dian)容(rong)輸(shu)出功放電(dian)(dian)路(lu)OCL。
七、橋(qiao)式推挽功率放大(da)器(BTL)電路

圖:橋式推(tui)挽功率放大(da)器(BTL)電路圖
在OCL中采用了雙電源供電,所以為了實現單電源供電,且不用變壓器和大電容,最終解決方案是橋式推挽功率放大器(BTL)電路。
安(an)泰(tai)功率放(fang)大器(qi)推薦:

圖:ATA-2082功率放大器指標參數
以(yi)上就是(shi)功(gong)(gong)率(lv)(lv)放(fang)大器(qi)電路(lu)圖(tu)集的內(nei)容,整(zheng)理了多種類的功(gong)(gong)率(lv)(lv)放(fang)大電路(lu)圖(tu),如(ru)果您對于(yu)功(gong)(gong)率(lv)(lv)放(fang)大器(qi)還有(you)什么疑問,隨時可(ke)以(yi)咨詢安泰(tai)電子。西安安泰電子是專業從(cong)事功率放大器、高壓放大器(qi)、功率信(xin)號源(yuan)、前置微小信號放大器、高精度電壓源、高精(jing)度電流源等電(dian)子測(ce)量儀器(qi)研發、生產和(he)銷售的高科技企業。公司致力于功率(lv)(lv)放大器(qi)、功率(lv)(lv)信號源、計量校(xiao)準源等產(chan)品(pin)為(wei)核心的相關行業(ye)測試解決方(fang)案(an)的研究,為(wei)用(yong)戶提供(gong)具有(you)競爭力的測試方(fang)案(an),Aigtek已經成為(wei)在業(ye)界擁有(you)廣泛產(chan)品(pin)線,且具有(you)相當規模的儀(yi)器(qi)設備(bei)供(gong)應商,樣機都支(zhi)持(chi)(chi)免(mian)費試用(yong)。如(ru)想了(le)解更多功率(lv)(lv)放大器(qi)等產(chan)品(pin),請持(chi)(chi)續關注安泰電子官網hkdyw.cn或(huo)撥打029-88865020。

























