功率放大器驅動水聲發射換能器的研究
功率放大器廣泛應用于各類水聲設備和產品的功率輸出系統中用于驅動水聲發射換能器發聲。在各種水聲領域相關產品的研制、生產、試驗過程中,由于各種原因引起功率放大器驅動水聲發射換能器輸出的聲功率信號效能降低或者輸出異常,導致的后果是相當嚴重的。
通過實時監(jian)測功(gong)放輸出電壓電流(liu)保證(zheng)功(gong)放安(an)全(quan)可靠的工作,可以有效地降低發射換能器與功率放大器連線不可靠、發射換能器損壞、發射換能器性能降低等原因造成功率放大器驅動水聲發射換能器輸出的聲功率信號效能降低或者輸出異常,確保聲功率信號輸出穩定有效。
引起功放(fang)輸出驅動發射換能器聲功率輸出效能異常(chang)的主要原(yuan)因有如下幾點:
1、換能器短路損壞,輸出電(dian)流非(fei)常大;
2、換(huan)能器(qi)開路(lu)損(sun)壞,無輸出(chu)電(dian)流;
3、接線不可靠(kao)開路(lu),無輸出電流;
4、換能器性能下降,輸(shu)出(chu)電壓(ya)異常,聲功率(lv)的(de)輸(shu)出(chu)源級低于(yu)正常值,輸(shu)出(chu)電流偏小。
通過在功放輸(shu)出(chu)端串入(ru)電(dian)(dian)流傳(chuan)感器并(bing)入(ru)電(dian)(dian)壓傳(chuan)感器便(bian)可實現(xian)對(dui)輸(shu)出(chu)電(dian)(dian)壓電(dian)(dian)流的取樣,對(dui)取樣信(xin)號進行處理(li)計算實現(xian)對(dui)其監測,輸(shu)出(chu)狀態監測電(dian)(dian)路的簡單(dan)原理(li)圖如下圖所(suo)示。

圖:輸出狀態監(jian)測(ce)電路原理框圖
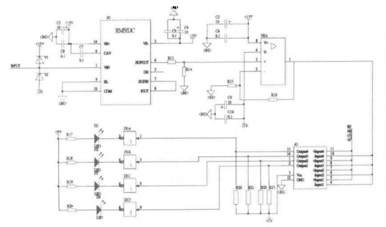
在具體電路實現方(fang)案(an)中,本著成本越低(di)越好(hao)、電路結構越簡(jian)單越可靠越好(hao)的原則,我們采用(yong)模擬A/D技術設計了一種能在線檢測功率放大電路輸出效能狀態的具體實現電路,原理圖如下圖所示。

圖(tu):輸出狀(zhuang)態監測電路部分原理
通(tong)過指(zhi)示(shi)燈的指(zhi)示(shi)狀(zhuang)態(tai)實現了對功(gong)放(fang)輸出(chu)效能(neng)及換(huan)能(neng)器的工作狀(zhuang)態(tai)進行實時監(jian)測。該電(dian)路的應用有效地降(jiang)(jiang)低發射(she)換(huan)能(neng)器與(yu)功(gong)率(lv)放(fang)大器連線不(bu)可靠、換(huan)能(neng)器損壞、換(huan)能(neng)器性(xing)能(neng)降(jiang)(jiang)低等因素造成功(gong)率(lv)放(fang)大器驅動水聲(sheng)發射(she)換(huan)能(neng)器輸出(chu)的聲(sheng)功(gong)率(lv)信號效能(neng)降(jiang)(jiang)低或者輸出(chu)異常(chang),確保聲(sheng)功(gong)率(lv)信號穩定(ding)可靠的輸出(chu)。
ATA-L系列水聲功率放大器型號參數指標:

以上就是功率放大器驅動水聲發射換能器的研究內容,如果對于水聲功率放大器還有什么不清楚或者想要了解的內容,歡迎隨時咨詢安泰電子。西安安泰電子是專業從事功率放(fang)大器、高壓放大器(qi)、功率信(xin)號源、前置微小(xiao)信號放大器、高精度電壓(ya)源、高精(jing)度電流源(yuan)等電子測量儀(yi)器研發、生產(chan)(chan)(chan)和銷售的(de)高科(ke)技企業(ye)。Aigtek已經成為(wei)在業(ye)界擁有(you)廣泛產(chan)(chan)(chan)品線,且具有(you)相當規模的(de)儀(yi)器設(she)備供應商,樣機(ji)都支持免費試用。如(ru)想了解更多功率放大器等產(chan)(chan)(chan)品,請(qing)持續關注(zhu)安泰電子官網hkdyw.cn或(huo)撥打(da)029-88865020。
原文鏈接://hkdyw.cn/news/917.html

























